ELEKTROBOCK časový spínač na omietku CS1-2
Model: 0112elb
Popis
ELEKTROBOCK časový spínač na omietku CS1-2Časové spínače sú veľkým pomocníkom pre časové ovládanie osvetlenia a ventilátorov v kúpeľniach, na toaletách a schodiskách.
Inštalácia na omietku
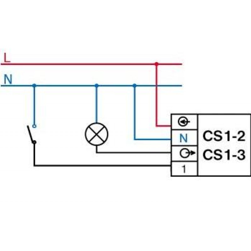
Veľkou výhodou časových spínačov rady CS1-X je ich ľahká montáž na existujúce elektroinštaláciu, priamo v miestnosti, kde je potreba časovo ovládať určitý spotrebič. Tým odpadá dodatočné ťahanie vodičov do rozvodové skrine a vzniká tak úspora času a materiálu. Časové spínače CS1-X sú určené pre montáž na inštalačnej krabice do steny i na lištový rozvod. Výstupné vodiče sa pripájajú na svorkovnicu v inštalačnej krabici alebo svorkami WAGO. Ďalšími výhodami sú prehľadné a jednoduché nastavenie času, nepatrná spotreba elektrickej energie a spoľahlivú prevádzku.
Časový spínač CS1-2 slúži ako automat ovládanie osvetlenia pre schodisko.
TECHNICKÉ PARAMETRE:
Napájanie: 230 V st, 50 Hz
Max.spínaný výkon: 750 VA
Spínací prvok: relé
Nastaviteľný čas: 1 - 10 min.
Príkon: 1 VA
Poistka: F 4 A / 1500 A, 250 V
Stupeň krytia: IP 20
Pracovná teplota: -10 ° C až 55 °
Vlastnosti CS1-2:
Je určený na spínanie osvetlenia schodísk, chodieb, hál a iných priestorov, ktoré potrebujeme časovo ovládať. Umožňuje plynulé nastavenie doby svietenia v rozmedzí 1 až 10minút. K rozsvietenie dôjde v okamihu zopnutia ovládacieho spínača. CS1-2 má zabudované blokovanie pri trvalom zopnutí spínača, tzn. pri trvalom zopnutí spínača sa spotrebič po nastavenej dobe vypne.
ILUSTRAČNÉ FOTO
Obrázky sa môžu líšiť od originálneho produktu/položky.
- Um nach Österreich zu versenden, besuchen Sie ELEKTROBOCK Ersatztaste WS113
- Um nach Deutschland zu versenden, besuchen Sie ELEKTROBOCK Ersatztaste WS113
- Pro odeslání do Česka navštivte ELEKTROBOCK časový spínač na omítku CS1-2
Recenzia (0)
Napísať recenziu
Hodnotenie: Zlé Dobré
Opište kód z obrázku:




