STIEBEL ELTRON SB-VTI 300 ocel.smalt.nádrž 300 l, trubk.výměník, bočné vývody, 200159
Model: 200159
Popis
- Špeciálny tepelný výmenník pre prevádzku tepelného čerpadla- Priama penová výplň v plechovom plášti
- Sériová antikorózna ochrana použitím ochrannej anódy
Technické parametre:
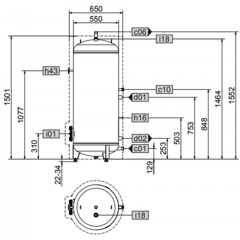
- Menovitý objem: 295 l
- Priemer s tepelnou izoláciou: 650 mm
- Výška: 1552 mm
- Trieda energetickej účinnosti: C
- Pohotovostná spotreba energie / 24 h pri 65 ° C: 2,2 kWh
- Plocha - výmenník hore: 1,5 m2
- Prírubový otvor: 180 mm
- Prepravná výška: 1730 mm
- Hmotnosť: 126 kg
ilustračné foto
Obrázky sa môžu líšiť od originálneho produktu/položky.
Dokumenty
- Pro odeslání do Česka navštivte STIEBEL ELTRON SB-VTI 300 ocel.smalt.nádrž 300 l, trubk.výměník, boční vývody, 200159
- Aby wysłać do Polski odwiedź STIEBEL ELTRON SB-VTI 300 Ogrzewacz z wymiennikiem 200159
Recenzia (0)
Napísať recenziu
Hodnotenie: Zlé Dobré
Opište kód z obrázku:






















