SANELA WC s umývadlom do rohu SLWN 08P, WC na zemi vpravo, závitové tyče 94082
Model: 94082
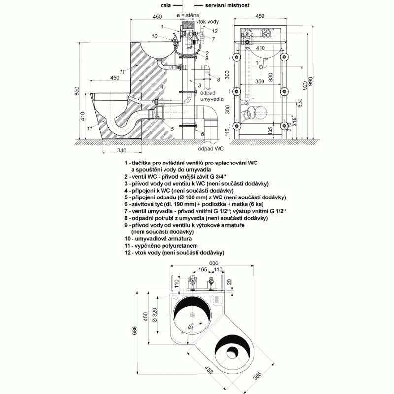
Popis
SANELA WC s umývadlom do rohu SLWN 08P, WC na zemi vpravo, závitové tyče 94082- Antivandalové prevedenie
- Použitie pre väznice
- Kompaktný set WC s lisovaným umývadlom, umývadlovú armatúrou a otvorom - pre toaletný papier
- Tlačný ventil na ovládanie umývadlové armatúry
- Tlačný ventil pre splachovanie WC
- SLWN 08P - WC stojace na zemi vpravo
- SLWN 08L - WC stojace na zemi vľavo
- SLWN 08ZP - závesné WC vpravo
- SLWN 08ZL - závesné WC vľavo
- Montáž cez závitové tyče (M10, dĺžka 190 mm) z druhej strany steny
- Materiál CrNi 18/10 (AISI - 304), hrúbka 1,5 mm
- Vystužené polyuretánom (znížená hlučnosť, zvýšená pevnosť)
- Povrch matný
Špecifikácia dodávky:
SLWN 08P - obj.č. 94082 - nerezový kompaktný set WC s umývadlom do rohu, 2x tlačný ventil, umývadlová armatúra, 6x závitová tyč M10
ilustračné foto
Obrázky sa môžu líšiť od originálneho produktu/položky.
- Pro odeslání do Česka navštivte SANELA WC s umyvadlem do rohu SLWN 08P, WC na zemi vpravo, závitové tyče 94082
Recenzia (0)
Napísať recenziu
Hodnotenie: Zlé Dobré
Opište kód z obrázku:


















